正平直度(真直度)量測
指定該直線要素之「直線程度」。
對象是直線,不是平面。因此,可以判定長尺物等的翹曲程度。
圖面範例

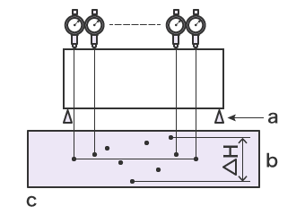
高度規的量測

- a
- 微型千斤頂
- b
- △H=正平直度
- c
- 高度(Hn)的圖表
為了使目標物不要傾斜,對準左右高度並以小型千斤頂固定,平直移動目標物或高度規量測。
最大值及最小值的差異(ΔH)為正平直度。
問題點
一般來說,高度規的精度較三次元測量儀低,量測值會因高度規量測部抵住目標物的強度而改變,因此量測結果不一。
若目標物無法水平設置,由於無法移動高度規,所以難以量測。
三次元測量儀的量測

- a
- 探針
- b
- 目標物
三次元測量儀僅將探針輕抵目標物即可量測。因此,幾乎不會因量測壓而產生誤差,因此可以得到穩定的量測結果。
因為探針可以從各種角度輕觸,所以即使是高度規難以量測且無法水平固定的目標物,亦可正確量測。
- 量測畫面
-

- a
- 正平直度的量測結果


