位置度量測
量測代表「對基準(做為基準的平面、直線)之位置的正確程度」的位置度精度。
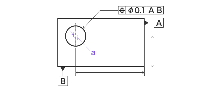
圖面範例

- a
- 直徑0.1 mm的範圍內
用尺規量測

以量測尺規及檢查尺規判定合格與否。
優點為檢查時間及品質不會因為每一位操作者的熟悉度而有所不同。且也可以輕鬆支援自動化量測。
問題點
尺規的問題在於必須依不同目標物個別製作,若是特製尺規還會產生初期費用,因此在試作階段很難導入。
三次元測量儀的量測

- a
- XY面 基準平面A
- b
- ZX面 基準平面B
- c
- YZ面 基準平面C
- d
- 目標物
- e
- 平板
設定基準面,將探針抵住目標物的量測點量測。量測結果會立即顯示在畫面。
亦可量測直交座標,複合位置度亦可在一次的量測後輸出。
而且,若是孔洞,則藉由改變深度量測數點,即可輸出圓柱度、直角度及正平直度等驗證結果。
- 量測畫面
-

- a
- 對象點(圓)
- b
- 位置度的量測結果


