正圓形度的量測
量測指定「正圓」的正圓形度。量測軸、孔、圓錐等圓形截面,表示該截圓之真圓程度。
圖面範例

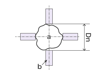
測微計的量測

- a
- 目標物
- b
- 測微計量測端子
外形分為4至8等分量測2點之間,並確認最大值及最小值,其差異除以2的數值即為正圓形度。
由於量測時只需要測微計,因此任何地點皆可輕易量測。
- 正圓形度=(Dmax−Dmin)/2
- Dmax:最大值
- Dmin:最小值
問題點
因為是2點之間量測的平均值,所以精度有限。而且,依測微計量測端子碰觸方式的差異,而可能發生誤差。若要分析取得的資料,則必須將資料輸入電腦等作業。
三次元測量儀的量測

- a
- 目標物
- b
- 平板
將探針輕點4點以上並進行點量測,即可量測正圓形度。
量測值以全部量測點誤差的和為最小的最小二乘法計算。
- 量測畫面
-

- a
- 正圓形度的量測結果


