最小實體要求(LMR:Least Material Requirement)
管理孔洞大小、位置及厚度等會採用最小實體要求。
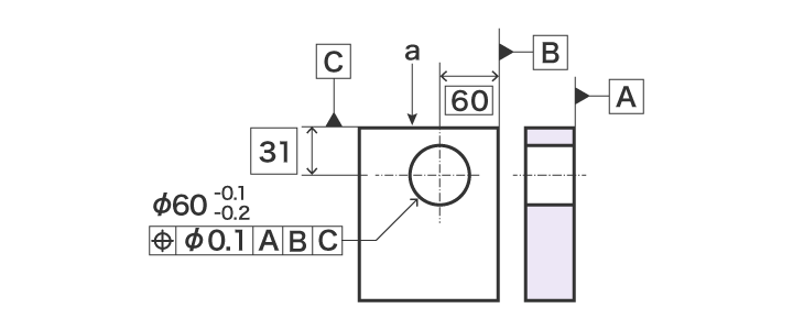
例如,零件孔洞在最小實體狀態(孔洞大小為最大[LMC:Least Material Condition])時,若孔洞位置及大小偏移,則會發生強度不足而破裂等問題。最小實體要求有助於此類空間較小條件下的設計。
最小實體要求的使用
針對設計值,壁厚(肉厚)的最差條件為孔洞直徑大(最小實體尺寸)且位置偏向端面側時。反之,孔洞直徑小的狀態(最大實體狀態)下,即使孔洞偏向端面側時亦能確保強度。

- a
- 孔洞側面過於接近端面,孔洞可能損壞。
何謂
若於尺寸適用最小實體要求,則於形體控制框的尺寸公差後面填入。也會視狀況,於基準記號L後面填入。「L」為Least Material Requirement(LMR)的縮寫,指示最小實體要求適用的記號。

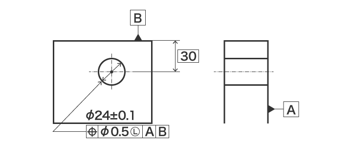
最小實體要求的指定範例
下圖為以最小實體要求指示以位置度呈現最小肉厚的端面及孔洞時的範例。
若於尺寸容許區間適用,則位置度Φ0.5僅在孔洞24為最小實體狀態Φ24.1下適用。此時,若孔洞大小變小,則幾何公差也會依變小程度緩和。



