位置公差(位置偏差)
位置公差係指對某一基準決定其形態應有位置(真位置)的公差。位置公差的指定必須有基準,因此會是基準相關形態的幾何公差。
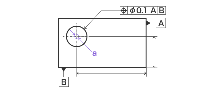
位置度

指定「對基準(做為基準的平面、直線)之位置正確程度」的精度。

- a
- 直徑0.1 mm的範圍內
- 圖面的解釋
- 指示線箭頭所示的圓中心點必須在直徑0.1 mm的圓之中。
同軸度

指定「2個圓柱的軸為同軸(意即中心軸無偏移)」。

- 圖面的解釋
- 指示線箭頭所示的圓柱軸線必須在以基準軸直線A為軸線的直徑0.03 mm的圓柱之中。
同心度

指定「2個圓柱的軸為同軸(意即中心點無偏移)」的精度。不同於同軸度,基準為中心點(平面)。

- a
- 0.05 mm的圓的範圍內
- 圖面的解釋
- 指示線箭頭所示的圓柱軸線必須在以基準軸直線A為軸線的直徑0.05 mm的圓柱之中。
對稱度

指定「對基準(做為基準的平面)的對稱程度」的精度。

- a
- 距理論中心面0.05 mm以內
- b
- 理論中心面
- 圖面的解釋
- 指示線箭頭所示的中心面必須在與基準中心平面A對稱保持0.05 mm間隔的2個平行平面之間。


