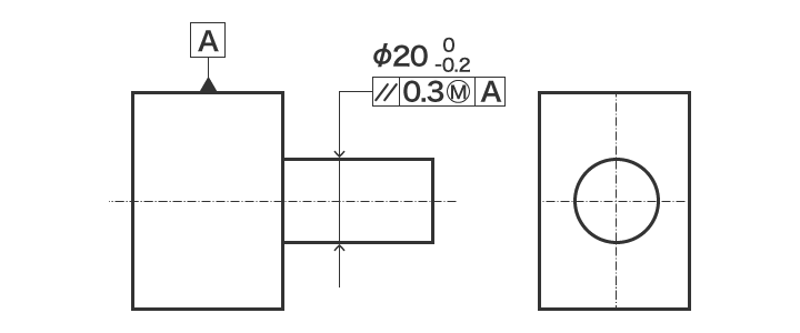
最大實體要求(MMR:Maximum Material Requirement)
在設計2個零件相互嵌合時會採用「最大實體要求」。
舉例而言,設計為孔洞嵌合的軸為最大實體狀態(MMC)時,是為了預防發生「無法嵌合」的情形,且為了避免無法嵌合而設定過於嚴苛的尺寸公差。
何謂
若於尺寸適用最大實體要求,則於形體控制框的尺寸公差後面填入。「M」為Maximum Material Requirement(MMR)的縮寫,指示最大實體要求適用的記號。

尺寸公差的使用方式
最大實體要求必須遵守尺寸公差。但是,尺寸公差與最大實體尺寸的差距大時,則可以於幾何公差加入差分,使之為實效尺寸。
-
最大實體狀態

-
實效狀態

- a
- 實效尺寸
以公差動態圖呈現最大實體要求
「公差動態圖」為以視覺呈現尺寸公差及幾何公差的公差範圍變化的工具。可以藉由縱軸採幾何公差、橫軸採尺寸公差,同時呈現尺寸公差及幾何公差的差異。而且,幾何公差藉由適用於最大實體公差後而產生的補償公差亦會變得明確。

- a
- 軸
- b
- 軸座

- a
- 正平直度
- b
- 軸的尺寸公差
- c
- 孔的尺寸公差


