提升觀察螺絲不良(凹痕、損傷、裂痕、起伏等)的效率
在大多數的工業產品中,螺絲是機械性接合零件時不可或缺的要素。除了由精度及耐久性來決定其安全性的汽車及航空相關產業外,從建築到電子零件的許多產品也都需要講求螺絲的高品質與可靠性。
在研究開發及品質保證等方面,必須觀察及量測螺絲的不良部位。在此介紹螺絲的相關基礎知識,以及使用4K數位顯微鏡來提升觀察及量測的精準度與效率的案例。

螺絲的基礎(各部位的名稱、尺寸、規格、材質)
螺絲是在圓筒狀的軸側面設置螺旋狀溝槽的固定用零件,搭配螺帽使用的螺絲則稱為螺栓。而處理木工時會使用螺紋部末端為尖型的木螺絲一樣,依據被接合的材質及用途不同,也會使用各種形狀、規格及材質的螺絲。以下統整了一般螺絲的各部位名稱、尺寸及規格等使用螺絲時的基本項目。
螺絲的各部位名稱與尺寸
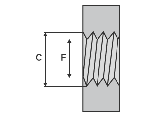
螺絲(外螺紋)的代表性部位名稱如下圖所示。

一般會將外螺紋的長度稱為「公稱長度」,用來指頸下長度(圖中E)。但其定義會隨螺絲種類及頭部形狀而異。舉例來說,若是接合時頭部不會突出的皿頭螺絲,則以全長(圖中F)為公稱長度。
另外若螺絲有與頭部相鄰,卻沒有螺紋及螺谷的部分,則將其稱為「螺身」。螺身內含加工時在螺身與螺紋部之間形成的「不完全螺紋」,螺紋的螺峰與螺谷並不完整。
螺紋部(外螺紋、內螺紋)的代表性尺寸如下圖所示,以下進行說明。


- A
- 外徑 指外螺紋的螺紋之間的直徑,即用以表示粗細的「公稱直徑」。
- B
- 節圓直徑 螺紋寬度與螺紋槽寬度相等的圓的直徑。
- C
- 底徑 外螺紋/內螺紋的螺谷之間的直徑。
- D
- 螺紋角 螺紋從螺峰到螺谷所開的角度。
- E
- 螺距 螺紋上兩個相鄰螺峰的距離。
- F
- 內徑 內螺紋的螺紋之間的直徑。
螺絲的規格
螺絲具有各種規格,其尺寸、定義與稱呼方式不同。以下介紹代表性的規格、定義及標示方法等。
- 公制螺絲
- 指螺紋角為60°,以毫米標示公稱尺寸及螺距的螺絲。依據螺距不同,又分成粗牙螺絲與細牙螺絲。
其規格會以「螺絲的公稱 × 螺距」來標示,並在字母M的後方加上螺紋部的最大直徑(mm)。舉例來說,如果規格標示為「M10」,即代表螺絲的公稱直徑為10 mm。而螺距又分成標準的「粗牙螺距」與螺紋間隔較窄的「細牙螺距」,後者會以「M〇〇×螺距」來標示規格。 - 美規螺絲
- 指螺紋角與公制螺絲一樣為60°,但以英寸標示公稱尺寸的螺絲。以每英寸範圍內的螺紋數量來標示數螺距。美規螺絲規格又稱英寸螺絲或美制螺絲,用於飛機產業等。美規螺絲除了一般尺寸的「美規粗牙螺絲(UNC)」,還有細牙的「美規細牙螺絲(UNF)」。
其規格會以「螺絲外徑(螺絲編號)-(連字符)每英寸螺紋數、螺絲種類(UNC或UNF)」標示。舉例來說,如果規格標示為「1/4-20UNC」,即代表它是外徑1/4英寸、每英寸螺紋數20的美規粗牙螺絲。
螺絲的材質和特徵
跟螺絲的頭部及螺紋部能依用途分成各式各樣的形狀及規格一樣,螺絲使用的材質也很多種。以下說明代表性的螺絲材質種類與特徵。
- 鋼
- 用於螺絲的鋼材主要如下。
- 碳鋼:是最普遍的螺絲鋼鐵材料。其中S45C(碳含有量約0.45%)為兼具硬度與強度的機械結構用碳鋼鋼材,經常用於螺絲。
- 合金鋼:添加Mo(鉬)或Cr(鉻),用於須講求強度的螺栓等。
- 不鏽鋼:可依據經熱處理變化後的組織分類成Cr系(Cr 麻田散鐵/18Cr 肥粒鐵)Cr-Ni系(18-8 沃斯田鐵)等,一般具備優異的耐腐蝕性與機械性質。在以上分類中,螺絲最常使用沃斯田鐵。
- 銅、銅合金
- 雖然機械強度低於其他金屬材料,但易於成形,也具備優異的導電性、導熱性、延展性及耐腐蝕性。常用於端子的固定螺絲。如果是純銅,還能依照含氧量(銅的純度)的不同分類成韌銅(純度99.5%)、脫氧銅(採取氫脆化對策的韌銅)、無氧銅(99.995%高純度)。由於成本因素,用於螺絲材質時大多會使用韌銅。
- 鋁、鋁合金
- 鋁製螺絲的重量比鋼製減輕1/3左右。此外,優點是具備優異的耐腐蝕性及導熱性,且相對容易回收,有助於環境對策。過去鋁一直有著強度比鋼弱的課題,但現在可以使用透過熱處理來提升表面硬度或提升材質強度的鋁螺絲,在克服弱點的同時獲得鋁特有的優點。
- 鈦、鈦合金
- 鈦製螺絲的重量大約是鋼製的60%,卻具備與碳鋼幾乎同等的強度,以及優異的耐腐蝕性與耐熱性。但另一方面,鈦也是加工困難的高成本材質。使用鈦(純鈦)或鈦合金會讓螺絲具備不同的性質。其主要的用途如下。
- 鈦:耐腐蝕性高,對人體無害。有優異的生物相容性,因此被用於醫療用的螺栓等。
- 鈦合金:以材質重量而言,由於它的強度相對較高,因此被應用於航太相關領域。但因為加工困難,所以螺絲的單價也高。
- 鎂、鎂合金
- 鎂的重量大約是鋼的1/4、鋁的2/3,鎂合金的優點除了重量輕,比強度也較高,還具備優異的電磁屏蔽性、散熱性及吸震性,與相同材質的外殼進行固定時也不會引起電蝕。因此,鎂合金被應用於汽車、飛機及電機產品等廣泛領域中。由於具備耐腐蝕性低與加工困難等性質,所以必須考慮使用環境,或施以表面處理來彌補缺點。
- 樹脂(塑膠)
- 雖然樹脂的強度較低,但成形容易,重量也輕。此外,部分種類的樹脂還能獲得耐腐蝕性及耐藥品性等各種性質。例如在樹脂中比重較低又能耐水解的PP(聚丙烯),以及具備平均的機械性質,耐藥品性也佳的POM(聚甲醛)等,依照不同的使用目的,有各式各樣的樹脂被用來製造螺絲。
螺絲的不良觀察、量測的高規格化與效率化案例
螺絲、螺栓、螺帽及華司(墊圈)等物品幾乎都以金屬製成,而且具備立體的形狀。過去在觀察會損及品質的凹痕、損傷及裂痕等外觀不良或3D的形狀不良時,經常遇到只能對焦於其中一部分,或是由於物體與背景的對比較低或存在光澤而難以找出照明條件等問題。要以一般測量儀高精度量測3D形狀的難度相當高,且不同量測者造成的數值偏差也是一大課題。
KEYENCE的超高精細4K數位顯微鏡「VHX系列」採用高解析度HR鏡頭與4K CMOS等先進技術與電動控制,實現了獨創的觀察系統。藉此即可透過簡易的操作,以清晰的4K高解析度影像進行觀察或2D、3D尺寸量測。同時解決以往的難題,提升觀察的精準度、實現定量量測、縮短作業時間,並提升效率。
螺紋凹痕的傾斜觀察
只要運用4K數位顯微鏡「VHX系列」的「全角度觀察系統」,不必移動目標物的位置,就能從自由的角度以高、低倍率清晰觀察螺絲細微的凹痕及損傷等。
比起以往的數位顯微鏡,實現約20倍的大景深,即使遇到立體目標物也無需花精力調整焦距,可透過全對焦於整體的影像迅速觀察不良部位。



螺帽起伏的觀察
不需費時抽真空,只需按下按鈕,4K數位顯微鏡「VHX系列」便可運用「光陰影模式(Optical Shadow Effect Mode)」輕鬆取得逼近SEM(掃描電子顯微鏡)的高對比資訊。連對比較低而難以觀察的金屬表面細微凹凸也能完整觀察,毫不遺漏。
將光影模式影像與目標物的色彩資訊重疊,即可同時呈現凹凸資訊與色彩資訊。此外如下方影像,透過將凹凸資訊分色顯示的「色圖影像」,還能將像小型螺帽的起伏一樣的細微凹凸資訊也清晰地可視化。
「VHX系列」也能藉由高解析度的4K影像直接執行2D、3D尺寸量測。在3D尺寸量測中,更能取得任意部位的輪廓資訊。就連使用觀察影像與量測值自動編製報告的功能,僅需1台裝置便能完成。


改變螺絲觀察、分析常識的4K數位顯微鏡
4K數位顯微鏡「VHX系列」不只能藉由清晰的4K影像來提升觀察的精度,還能透過豐富的觀察系統及功能大幅改變以往觀察及分析的方式。
使用「全角度觀察系統」即可輕鬆調整視野、旋轉軸、傾斜軸三軸,實現即使傾斜、旋轉,視野也不會偏移的自動中心性。儘管遇到跟螺絲不良部位一樣立體又細微的觀察對象,也能順暢地進行傾斜觀察。
也能透過簡單的操作實現以往困難的觀察,例如使用光影模式取得高對比資訊,以觀察起伏等細微的凹凸或細小的損傷,或將其可視化等。
「VHX系列」不只能提升研究開發及品質保證的觀察與分析精度並將其定量化,還能帶來提升作業速度,以及藉由操作簡易性消除部分作業仰賴特定人員的問題等許多優點。詳細說明請下載型錄,或洽詢KEYENCE。


