提升觀察、分析結晶(胺基酸與蛋白質等)的效率
在食品製造與製藥產業中,由於製造的產品會直接進入人體,因此對於安全性與品質要求的等級也比較高。
在結晶形態原料、晶析製程或加工後的觀察與分析等各項過程中仔細且正確的進行調查,就能實施適當的品質管理與品質保證。
在此介紹使用1台4K數位顯微鏡即,可完成以往難度高又需耗費許多時間的結晶觀察與分析等的應用案例。

何謂結晶
結晶指的是物質的一種固體狀態,原子、分子或離子等會按照規則的周期反覆且立體地排列,形成空間晶格。結晶中的原子排列稱為「結晶結構」,而依照規則的周期排列的最小單位則稱為「單位晶格」。除了原子及無機分子外,分子量超過100萬的蛋白質分子等也屬於結晶。
結晶一般為多面體,外觀由許多表面平坦且銳利、具備多角形形狀的「稜」組成。結晶在大部分情形下都有「異向性」,它的光折射率、彈性等會隨方向而異。
結晶的需求與觀察、分析的課題
在食品、醫藥品的領域中,結晶技術被廣泛應用於產品原料及製造製程,如各種原料藥、蛋白質、胺基酸及澱粉等材料上。使用結晶可賦予產品附加價值,因此結晶的晶析製程或收取公司外部生產結晶的需求也隨之增加。製造使用結晶的產品時,結晶的純度、外形、粒度分布、溶解性及流動性質等是維持與提升品質的重要因素。
結晶的性質通常來自構成它的原子或分子,或與結晶中原子或分子的相對位置有關。其異向性又特別會呈現在折射率、光吸收係數、旋光度及消偏振率等光學性質上。用來評估收取結晶或晶析結果的代表性指標通常是結晶的外觀或外形、粒度分布等的觀察與分析。
但結晶的尺寸微小,具備複雜的立體形狀,又同時存在不同的穿透性以及光的折射與漫射,因此過去一直存在觀察及分析難度較高的課題。具體來說有以下的課題。
- 結晶具備立體形狀,進行高倍率觀察時只能對焦於試料的一部分。
- 稜的角度各不相同,因光的漫射而難以找出照明條件。
- 結晶與背景的對比經常較低,難以掌握輪廓。
- 由於上述因素,要進行定量分析與評估的難度較高。
下一節將介紹能解決各種結晶觀察與分析課題,實現精準化與定量化,大幅提升工作效率的4K數位顯微鏡應用案例。
能解決結晶觀察、分析課題的4K數位顯微鏡應用案例
為解決觀察與分析像結晶這樣的高難度目標物時出現的課題,KEYENCE持續聽取現場的意見,不斷製作能夠符合觀察者與分析者需求的新數位顯微鏡超過30年。
最新系列就是可稱為次世代數位顯微鏡的超高精細4K數位顯微鏡「VHX系列」。獨創的高性能觀察系統與豐富的功能,可透過簡單的操作解決以往的課題並大幅提升效率。
在此介紹結晶觀察、分析的「VHX系列」應用案例。
原料藥的結晶觀察、分析、報告編製
製藥使用的原料藥結晶具備複雜的立體形狀,經常無整體對焦。因結晶特有的穿透性與光的折射無法取得高對比影像,不易清除觀察形狀。
4K數位顯微鏡「VHX系列」僅需1台就能因應各種照明條件,使以往需要費時摸索的設定條件, 變得簡單快速。搭載了「多重照明」功能,只需一鍵,即可自動取得多張全方位照明的影像。從中選擇符合目的之影像後,便能以高精細的4K影像立即開始觀察結晶。
影像均可儲存,日後可輕鬆調出影像並變更照明條件。
當選擇過去的觀察影像,便能完全重現當時的條件,即使樣本個體、觀察日期與時間、觀察者不同,也能在相同條件下輕鬆進行觀察。


「VHX系列」還能在觀察後直接執行結晶粒度的分析。「自動面積量測、計數」功能可以簡單操作指定範圍,並將範圍以任意的閾值進行二值化。此功能可自動進行結晶的面積量測及計數。
除了結晶的面積、周長、最大直徑、最小直徑外,也能自動量測、計算與計數選擇範圍中結晶的個數及面積平均值、標準偏差、最大值、最小值、面積率等,並以清單顯示詳細數值。還可設定排除範圍,或分離重疊的目標物,實現高精度的分析。

再加上「VHX系列」可直接安裝Excel,能將取得的影像及數值輸出至任意的範本、自動編製排版好的報告。
有了這些豐富的功能,即可簡化過去從觀察到分析、編製報告相關的一連串作業並提升效率,大幅減少工時。

澱粉結晶的高對比觀察
澱粉結晶的穿透性高,與背景的對比較低,難以清晰觀察結晶的輪廓及形狀。
4K數位顯微鏡「VHX系列」除了能實現透射照明的背光外,還搭載了可拍攝並合成多張快門速度不同的影像,以取得高灰階影像的「HDR(High Dynamic Range)」功能。運用這項功能,即使要觀察像澱粉結晶一樣與背景對比較低的目標物,也能獲得高對比的高精細4K影像,清晰地觀察結晶的輪廓及紋理。


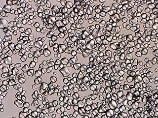
胺基酸及蛋白質的結晶觀察
4K數位顯微鏡「VHX系列」同時實現了光學顯微鏡20倍以上的景深與高解析度,還搭載了透射照明(背光)、落射照明及偏光觀察等能多元應用的高功能照明。
此外,透過能自動取得多張以全方位照明拍攝的影像的「多重照明」功能,還能迅速獲得適合各種結晶的照明條件。
有了「VHX系列」具備的高性能與獨創的觀察系統,便能以高精細的4K影像輕鬆觀察過去難以找出觀察條件的胺基酸及蛋白質等具備各種外觀的結晶。


改變結晶的觀察與分析、食品與製藥產業業務常識的4K數位顯微鏡
如以上介紹的案例,4K數位顯微鏡「VHX系列」大幅改變了過去為結晶觀察、分析取得最佳設定條件,所耗費的許多心力與工時。
透過實現高精細4K影像的最尖端光學系統及4K CMOS、能因應各種結晶穿透性,類型豐富的照明、透過簡單操作即可運用多元功能的獨創觀察系統,可以合理的實現高階的結晶觀察。
從觀察視野,到無縫執行結晶的自動面積量測及計數,以及自動編製報告都僅需1台裝置即可完成,大幅提升作業效率。
除了本頁介紹的內容以外,「VHX系列」還具備其他豐富的功能,可強力支援食品、製藥產業的各種觀察、分析作業。
有關「VHX系列」的詳細說明,請下載型錄,或洽詢KEYENCE。


